首 页
电子课本网
›
第29页
第29页
信息发布者:
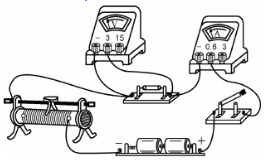
A、B
小
换用材料和横截面积相同、长度较短的电阻丝(合理即可)
左
短路
断开
定值电阻断路
2
反
保护电路,保持定值电阻两端的电压不变
10
2.4
正比
上一页
下一页